English
Español
Português
русский
Français
日本語
Deutsch
tiếng Việt
Italiano
Nederlands
ภาษาไทย
Polski
한국어
Svenska
magyar
Malay
বাংলা ভাষার
Dansk
Suomi
हिन्दी
Pilipino
Türkçe
Gaeilge
العربية
Indonesia
Norsk
تمل
český
ελληνικά
український
Javanese
فارسی
தமிழ்
తెలుగు
नेपाली
Burmese
български
ລາວ
Latine
Қазақша
Euskal
Azərbaycan
Slovenský jazyk
Македонски
Lietuvos
Eesti Keel
Română
Slovenski
मराठी
Srpski језик
পণ্য বৈশিষ্ট্য
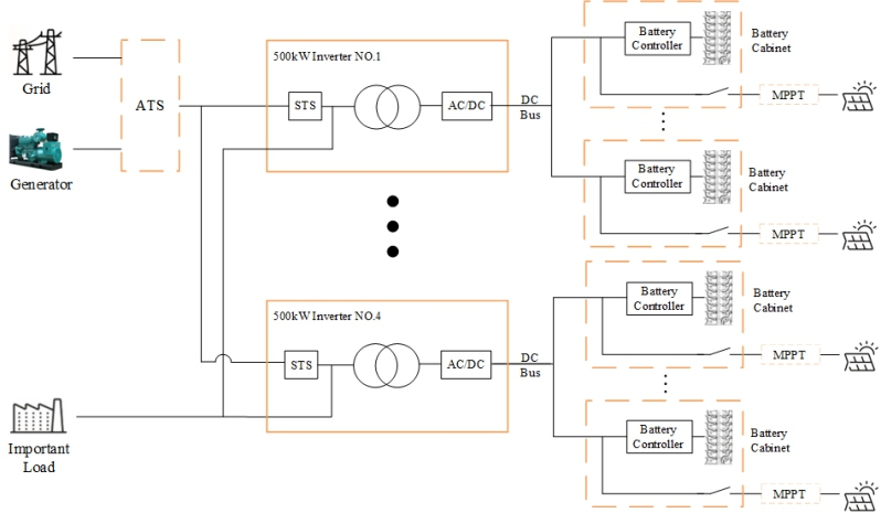
1. লোড 500 কিলোওয়াটের বেশি, এটি একটি বৃহৎ-ক্ষমতা 500 কিলোওয়াট একক-ইউনিট শক্তি সঞ্চয় বৈদ্যুতিন সংকেতের মেরু বদল ব্যবহার করার সুপারিশ করা হয়, যা 2 মেগাওয়াট মোট পাওয়ার আউটপুট অর্জন করে চার সেট সমান্তরাল সংযোগ সমর্থন করতে সক্ষম।
2. সমান্তরালভাবে একাধিক 500 kW সিস্টেম পরিচালনা করার সময় এবং STSaccross বিভিন্ন 500 kW ইনভার্টার বিতরণ করার সময়, গ্রিড টাই-পয়েন্ট থেকে লোড টাই-পয়েন্ট পর্যন্ত তারের দৈর্ঘ্য সামঞ্জস্যপূর্ণ কিনা তা নিশ্চিত করা অত্যন্ত গুরুত্বপূর্ণ;
3. হাইব্রিড ইএসএস ডিসি-কাপলড ফটোভোলটাইক ইন্টিগ্রেশন নিযুক্ত করে, উচ্চ শক্তি রূপান্তর দক্ষতা অর্জন করে এবং অফ-গ্রিড পরিস্থিতির জন্য অপ্টিমাইজ করে পিভি উৎপাদন ক্ষমতা লোড চাহিদার চেয়ে বেশি; আউটডোর-রেট MPPT
কন্ট্রোলার একটি একক শক্ত ঘের মধ্যে কম্বাইনার এবং MPPT কার্যকারিতা একত্রিত করে। সম্পূর্ণ সিস্টেমে একটি ডিজেল জেনারেটর ATS বিকল্প, একটি 300kW হাইব্রিড ইনভার্টার, PV MPPT কন্ট্রোলার এবং একটি ব্যাটারি রয়েছে
শক্তি সঞ্চয় সিস্টেম।


স্পেসিফিকেশন
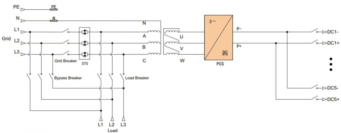
| মডেল | P500TS-400-A | |
|
ডিসি-সাইড প্যারামিটার |
ভোল্টেজ পরিসীমা | 500-950V |
| সর্বাধিক বর্তমান | 1128A | |
| রেট আউটপুট শক্তি | 500 কিলোওয়াট | |
|
এসি-সাইড প্যারামিটার (গ্রিড-সংযুক্ত) |
সর্বোচ্চ আউটপুট শক্তি | 550kW |
| রেট আউটপুট বর্তমান | 722A | |
| THDi | <3% | |
| গ্রিডের ধরন | 3W+N+PE | |
| ভোল্টেজ পরিসীমা | 360VAC~440VAC | |
| ফ্রিকোয়েন্সি পরিসীমা | 45~55Hz/55~65Hz | |
| পাওয়ার ফ্যাক্টর | -1~1 | |
| রেট আউটপুট শক্তি | 500 কিলোওয়াট | |
|
এসি সাইড প্যারামিটার (অফ-গ্রিড) |
রেট আউটপুট ভোল্টেজ | 400V |
| রেট আউটপুট ফ্রিকোয়েন্সি | 50/60Hz | |
| THDu | <1% লিনিয়ার লোড, <5% নন-লিনিয়ার লোড | |
| ওভারলোড ক্ষমতা | 110%10 মিনিট | |
| রক্ষণাবেক্ষণ বাইপাস সুইচ | 1250A | |
|
অফ-গ্রিড সুইচ এবং সুইচ কনফিগারেশন |
ডিসি সুইচ | 1250A |
| লোড সুইচ | 1250A | |
| গ্রিড সুইচ | 1250A | |
| এসটিএস ইউনিট | 1155A/800kW | |
| স্যুইচিং সময় | <20 মি | |
|
সিস্টেমের পরামিতি |
সর্বোচ্চ দক্ষতা | 97.5% |
| অপারেটিং তাপমাত্রা | -30~55℃(40℃ এর উপরে ডিরেটিং) | |
| আপেক্ষিক আর্দ্রতা | 0 থেকে 95% RH, নন-কন্ডেন্সিং | |
| মাত্রা (L*D*H) | 1600×1050×2050mm | |
| ওজন | 2700 কেজি | |
| আইপিগ্রেড | IP21 IP21 (সম্পূর্ণ মেশিন) | |
| গোলমাল | <70dB | |
| ডিসপ্লে স্ক্রীন | এলসিডি | |
| বিএমএস যোগাযোগ | CAN | |
| ইএমএস যোগাযোগ | টিসিপি/আইপি | |