English
Español
Português
русский
Français
日本語
Deutsch
tiếng Việt
Italiano
Nederlands
ภาษาไทย
Polski
한국어
Svenska
magyar
Malay
বাংলা ভাষার
Dansk
Suomi
हिन्दी
Pilipino
Türkçe
Gaeilge
العربية
Indonesia
Norsk
تمل
český
ελληνικά
український
Javanese
فارسی
தமிழ்
తెలుగు
नेपाली
Burmese
български
ລາວ
Latine
Қазақша
Euskal
Azərbaycan
Slovenský jazyk
Македонски
Lietuvos
Eesti Keel
Română
Slovenski
मराठी
Srpski језик |
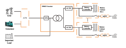
বৈশিষ্ট্য সিস্টেমটি সমান্তরাল কনফিগারেশনে মডুলার ইনভার্টার ইউনিট ব্যবহার করে, যেখানে প্রতিটি বৈদ্যুতিন সংকেতের মেরু বদল মডিউলের ডিসি ইনপুট একটি ডেডিকেটেড ব্যাটারি ক্যাবিনেটের সাথে মিলে যায়, মধ্যে সঞ্চালন স্রোত নির্মূল করতে প্রতি ক্লাস্টার ব্যবস্থাপনা সক্রিয় করা ব্যাটারি স্ট্রিং এসি/ডিসি পাওয়ার মডিউলগুলি পরিমাণ এবং উভয় ক্ষেত্রেই নমনীয় স্থাপনা সমর্থন করে পাওয়ার রেটিং, 5-ইউনিট সমান্তরালে সর্বাধিক 60kW মডিউলের ক্ষমতা সহ কনফিগারেশন পাওয়ার মডিউল থেকে এসি আউটপুট একটি ট্রান্সফরমারের মাধ্যমে বিতরণ করা হয় বিচ্ছিন্ন আউটপুট পর্যায়, শক্তিশালী প্রতিরোধের সাথে লোডে শক্তি সরবরাহ করে বর্তমান শক হাইব্রিড ESS ডিসি-কাপল্ড ফটোভোলটাইক ইন্টিগ্রেশন নিযুক্ত করে, উচ্চ অর্জন করে শক্তি রূপান্তর দক্ষতা এবং PV সঙ্গে অফ-গ্রিড পরিস্থিতিতে জন্য অপ্টিমাইজ করা উৎপাদন ক্ষমতা লোড চাহিদা অতিক্রম; আউটডোর-রেট MPPT কন্ট্রোলার কম্বাইনার এবং MPPT কার্যকারিতাগুলিকে একটি একক শক্ত ঘেরের মধ্যে একত্রিত করুন। সম্পূর্ণ সিস্টেমে একটি ডিজেল জেনারেটর ATS বিকল্প রয়েছে, একটি 300kW হাইব্রিড বৈদ্যুতিন সংকেতের মেরু বদল, PV MPPT কন্ট্রোলার, এবং একটি ব্যাটারি শক্তি স্টোরেজ সিস্টেম।
বৈশিষ্ট্য সিস্টেমটি সমান্তরাল কনফিগারেশনে মডুলার ইনভার্টার ইউনিট ব্যবহার করে, যেখানে প্রতিটি বৈদ্যুতিন সংকেতের মেরু বদল মডিউলের ডিসি ইনপুট একটি ডেডিকেটেড ব্যাটারি ক্যাবিনেটের সাথে মিলে যায়, মধ্যে সঞ্চালন স্রোত নির্মূল করতে প্রতি ক্লাস্টার ব্যবস্থাপনা সক্রিয় করা ব্যাটারি স্ট্রিং এসি/ডিসি পাওয়ার মডিউলগুলি পরিমাণ এবং উভয় ক্ষেত্রেই নমনীয় স্থাপনা সমর্থন করে পাওয়ার রেটিং, 5-ইউনিট সমান্তরালে সর্বাধিক 60kW মডিউলের ক্ষমতা সহ কনফিগারেশন পাওয়ার মডিউল থেকে এসি আউটপুট একটি ট্রান্সফরমারের মাধ্যমে বিতরণ করা হয় বিচ্ছিন্ন আউটপুট পর্যায়, শক্তিশালী প্রতিরোধের সাথে লোডে শক্তি সরবরাহ করে বর্তমান শক হাইব্রিড ESS ডিসি-কাপল্ড ফটোভোলটাইক ইন্টিগ্রেশন নিযুক্ত করে, উচ্চ অর্জন করে শক্তি রূপান্তর দক্ষতা এবং PV সঙ্গে অফ-গ্রিড পরিস্থিতিতে জন্য অপ্টিমাইজ করা উৎপাদন ক্ষমতা লোড চাহিদা অতিক্রম; আউটডোর-রেট MPPT কন্ট্রোলার কম্বাইনার এবং MPPT কার্যকারিতাগুলিকে একটি একক শক্ত ঘেরের মধ্যে একত্রিত করুন। সম্পূর্ণ সিস্টেমে একটি ডিজেল জেনারেটর ATS বিকল্প রয়েছে, একটি 300kW হাইব্রিড বৈদ্যুতিন সংকেতের মেরু বদল, PV MPPT কন্ট্রোলার, এবং একটি ব্যাটারি শক্তি স্টোরেজ সিস্টেম।
স্পেসিফিকেশন |
|||||
| মডেল | P200TS-400-A | P250TS-400-A | P300TS-400-A | ||
|
ডিসি-সাইড প্যারামিটার |
ভোল্টেজ পরিসীমা | 650-950Vdc | |||
| প্রতি মডিউল ইনপুট সুইচ | 250A | ||||
| ডিসি চ্যানেলের সংখ্যা | 3 উপায় | 4 উপায় | 5 উপায় | ||
|
এসি-সাইড প্যারামিটার (গ্রিড-সংযুক্ত) |
রেট আউটপুট শক্তি | 200 কিলোওয়াট | 250 কিলোওয়াট | 300 কিলোওয়াট | |
| সর্বোচ্চ আউটপুট শক্তি | 220kW | 275 কিলোওয়াট | ৩৩০ কিলোওয়াট | ||
| রেট আউটপুট বর্তমান | 289A | 361A | 433A | ||
| THDi | <3% | ||||
| গ্রিডের ধরন | 3W+N+PE | ||||
| ভোল্টেজ পরিসীমা | 360Vac~440Vac | ||||
| ফ্রিকোয়েন্সি পরিসীমা | 45~55Hz/55~65Hz | ||||
| পাওয়ার ফ্যাক্টর | -1~1 | ||||
|
দ্বীপপুঞ্জ এসি-সাইড প্যারামিটার |
রেট আউটপুট শক্তি | 200 কিলোওয়াট | 250kW 300kW | ||
| রেট আউটপুট ভোল্টেজ | 400Vac | ||||
| রেট আউটপুট ফ্রিকোয়েন্সি | 50/60Hz | ||||
| THDu | <1% রৈখিক, <5% অরৈখিক <1% রৈখিক, <5% অরৈখিক | ||||
| ওভারলোড ক্ষমতা | 10 মিনিটের জন্য 110% ওভারলোড 110% 10 মিনিটের জন্য | ||||
|
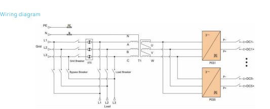
গ্রিড-আইল্যান্ডিং স্থানান্তর এবং সুইচগিয়ার |
রক্ষণাবেক্ষণ বাইপাস সুইচ | 400A | 630A | ||
| গ্রিড সুইচ | 630A | 800A | |||
| লোড সুইচ | 400A | 630A | |||
| এসটিএস ইউনিট | 577A/400kW | 722A/500kW | |||
| স্যুইচিং সময় | <20 মি | ||||
|
সিস্টেমের পরামিতি |
সর্বোচ্চ দক্ষতা | 97.5% | |||
| অপারেটিং তাপমাত্রা | -30~55℃-30~55℃(40℃ এর উপরে ডিরেটিং) | ||||
| আপেক্ষিক আর্দ্রতা | 0~95%RH,0~95%RH, নন-কন্ডেন্সিং | ||||
| মাত্রা (L*D*H) | 1300×1050×2050mm | ||||
| ওজন | 1400 কেজি | 1700 কেজি 1800 কেজি | |||
| আইপিগ্রেড | IP21 IP21 (সম্পূর্ণ সেট) | ||||
| গোলমাল | <70dB | ||||
| ডিসপ্লে স্ক্রীন | এলসিডি টাচ স্ক্রিন | ||||
| বিএমএস যোগাযোগ | CAN | ||||
| ইএমএস যোগাযোগ | টিসিপি/আইপি | ||||